内容提要:
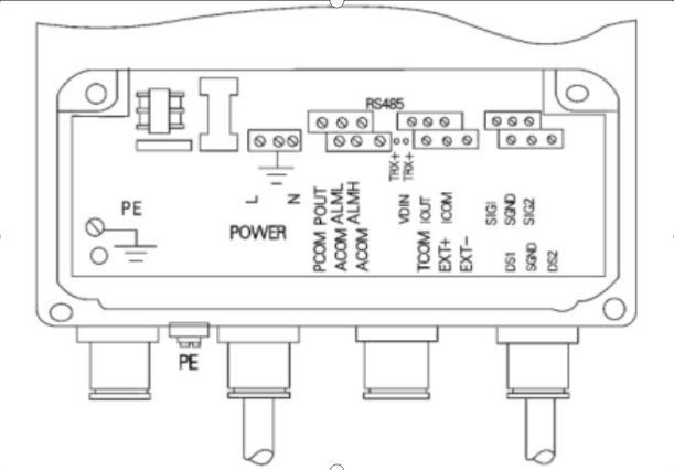
电磁流量计在使用的时候,我们需要了解流量计的端子接线方法。通过这些接线方法,我们可以进行正确的接线,减少接线错误,减少误差。那下边就为大家介绍下端子接线的方法。……
本文关键字:电磁流量计
电磁流量计在使用的时候,我们需要了解流量计的端子接线方法。通过这些接线方法,我们可以进行正确的接线,减少接线错误,减少误差。那下边就为大家介绍下端子接线的方法。
电磁流量计的正确接线也是至关重要的,因为有的客户在安装好流量计之后并没有正常工作,认为流量计是坏的有质量问题,其实不然,有的时候就会因为接线错误这个简单的问题导致流量计不能正常工作。
分体式电磁流量计端子接线








